Sistema de conversión de energía de 30KW, 50KW, 100KW, 250KW y 500KW con inversor PCS y transformador de aislamiento
Este convertidor de almacenamiento de energía aislado se desarrolló en función de los requisitos de aplicación de grandes C&I, como cambio de carga máxima, respaldo de batería, etc. Admite la función en paralelo de múltiples máquinas y puede satisfacer la demanda de energía de 30KW ~ 3MW.
Número de artículo :
30KW/50KW/100KW/150KW/250KW/500KWTipo de batería :
Lithium Battery/Lead Acid BatteryMarca :
OEM/Sail SolarTensión nominal :
400V/ Customized US VoltageTipo de refrigeración :
Forced AirConexión a la red :
3W+N+PEClase de protección :
IP21Certificado :
EN 62109-1/-2, EN 62477-1, EN 61000-6-2/-6-4, NRS 097-2-1:2024, ASGCComunicación :
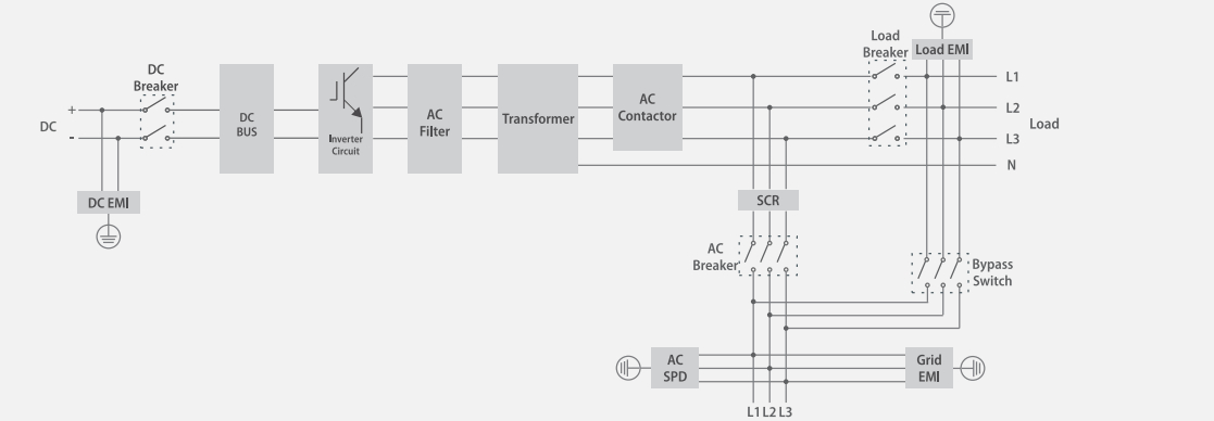
RS485/CANEste inversor PCS (sistema de conversión de energía) es un inversor de almacenamiento de energía que integra un controlador fotovoltaico, un convertidor de almacenamiento de energía, un transformador de aislamiento y una unidad de conmutación automática conectada a la red/fuera de la red, que es una buena opción para el uso de sistemas solares de gran capacidad.

Presupuesto
| Fuerza | 30 kW | 50 kW | 100 kW | 150 kW | 250 kW | 500 kW |
| Aire acondicionado (Ongrid) | ||||||
| Potencia máxima de salida (KW) | 33 | 55 | 110 | 165 | 275 | 550 |
| Potencia nominal de salida (KW) | 30 | 50 | 100 | 150 | 250 | 500 |
| Voltaje nominal (V) | 400 | |||||
| Corriente nominal (A) | 320-460 | |||||
| Frecuencia nominal (Hz) | 50/60 | |||||
| Distorsión armoniosa de la potencia (THDI) | <3% | |||||
| Factor de potencia | 1 adelantado-1 rezagado (liquidable) | |||||
| Tipo de cuadrícula | 3W+N+PE | |||||
| Aire acondicionado (fuera de la red) | ||||||
| Voltaje nominal (V) | 400 | |||||
| Distorsión armónica total | ≤1% lineal; o ≤5% no lineal | |||||
| Frecuencia nominal (Hz) | 50/60 | |||||
| Capacidad de sobrecarga | 110% a largo plazo, 120% 1 min | |||||
| Batería | ||||||
| Rango de voltaje de la batería (V) | 250-850 | 320~850 | 420~850 | 420~850 | 420~850 | 500~850 |
| Corriente máxima (A) | 137 | 178 | 270 | 405 | 673 | 1128 |
| Datos generales | ||||||
| Temperatura de funcionamiento | -30 ~ 55 | |||||
| Protección de entrada | IP21 | |||||
| Enfriamiento | Aire forzado | |||||
| Comunicación BMS | RS485/CAN | |||||
| Comunicación EMS | RS485, TCP/IP | |||||
| Certificados | EN 62109-1/-2, EN 62477-1, EN 61000-6-2/-6-4, NRS 097-2-1:2024, ASGC | |||||
Descripción del Producto

La lógica operativa dentro del inversor PCS con transformador de aislamiento está diseñada para lograr máxima eficiencia y control.
Estabilidad de la red garantizada:La lógica garantiza una salida de onda sinusoidal pura con<3% THDi y un amplio rango de voltaje (320-460V), protegiendo su equipo sensible.
Energía ininterrumpida:El sistema de control facilita la transferencia automática y sin interrupciones entre el funcionamiento conectado a la red y el funcionamiento en isla fuera de la red para garantizar un tiempo de actividad del 100 %.
Compatibilidad universalLa lógica gestiona un amplio rango de voltaje de batería de CC (de 250 V a 850 V), compatible con varias químicas de batería (LiFePO4, plomo-ácido, etc.).

FORTALEZAS CLAVE
Transformador de aislamiento incorporado, se adapta a la carga de impacto.
Hay múltiples modos de trabajo disponibles, que se pueden aplicar de forma flexible a diversos escenarios de trabajo.
Potencia reactiva, potencia activa regulable.
Admite la conexión paralela de varias máquinas.
Máxima densidad de potencia, máxima eficiencia alcanzando el 97,5%.
Diseño redundante para fuente de alimentación auxiliar.
Servicio postventa
● Soporte posventa 24/7
● 7 días a la semana, 24 horas al día: Listos para responder y resolver problemas de inmediato: el compromiso de Sail Solar con un servicio postventa sin preocupaciones.
● Correo electrónico de servicio: info@sailsolaress.com
Proceso de servicio
01
Enviar solicitudes de servicio
Puede enviar sus solicitudes de servicio en cualquier momento por correo electrónico, a través del servicio de atención al cliente en línea o mediante la aplicación móvil.
02
Respuesta rápida
Nuestro equipo de servicio responderá de inmediato a sus solicitudes y le comunicará los detalles del problema.
03
Servicio in situ o soporte remoto
Dependiendo de la naturaleza del problema, se proporcionará servicio in situ o soporte técnico remoto.
04
Resolución de problemas
Nuestro objetivo es resolver completamente su problema en 24 horas.
05
Hacer un seguimiento
Una vez resuelto el problema, nuestro equipo continuará realizando un seguimiento para garantizar su satisfacción con los resultados del servicio.
Dejar un mensaje
Escanear a WeChat :
Escanear a WhatsApp :